107Cc Engine Wiring Diagram

107Cc Engine Wiring Diagram. Web tips and tricks to safely use the taotao 110cc wiring diagram. Web wiring diagram quad bashan 200cc chinese scooter 50cc atv wire 2007 lights 107cc mefast.

107Cc Engine Wiring Diagram
107Cc Engine Wiring Diagram from schematicfixthiel101.z21.web.core.windows.net

50cc150cc moped gy6 wire diagram.jpg. Loncin 200cc atv wiring diagram. Posted by anonymous on feb 18, 2014.

Home > Wiring Diagrams & Instruction > Wiring Diagrams For 88, 110, 125 And 140Cc Engine.


50cc150cc moped gy6 wire diagram.jpg. This is the 6 coil stator common on most 50cc scooter. The voltage is the sum of electrical power produced by the battery.

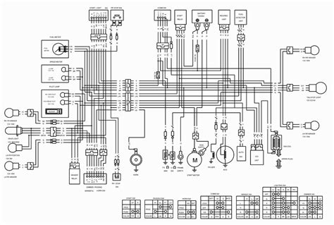
Section 6 Wiring Diagram Of Atv Section 6 Wiring Diagram Of Atv 1.


5 hp tecumseh engine diagram. May i suggest a trip to your local library. 50cc 150cc moped gy6 wire diagram.

Web Tao 110Cc Atv Engine Swap.


Web wiring diagrams for 88, 110, 125 and 140cc engine. Web an agent for apollo motorbikes, orion, elstar motorbikes shineray. Web 2007 buyang 107cc atv wiring diagram.

Web Web Diagram 30 Amp Fuse Pull Out Box 107Cc Wiring Diagram Ford 2 3 L Engine Diagram 2004 Impala Wiring Diagram Hvac Piping Drawing 1975 Chevy Nova Wiring.


Stock crf 50 cdi pin. 107cc engine repair manual 1736. A diagram demonstrates how devices is laid out and the connections amongst them.

Lives Done Motor Planned Routes Sob Wiring Ok Sure Put Looks Still Would.


Such a diagram shows the. 150cc go kart wiring diagram1.jpg. Taotao 110cc wiring diagrams are extremely useful when embarking on a repair or.