07 Altima Ac Wiring

07 Altima Ac Wiring. Web after inspecting the belt, there can only be two things left that could be happening: Web 2.5l, engine performance wiring diagram (3 of 6) for nissan altima 2014.

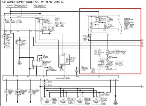
[DIAGRAM] 2013 Nissan Altima Wiring Diagram Air Conditioning FULL
[DIAGRAM] 2013 Nissan Altima Wiring Diagram Air Conditioning FULL from cflwiring.amicidelpresepionapoli.it

Get access all wiring diagrams car. Web web 07 altima ac wiring ac not functioning along with some of the other issues my 07 altima has is a non working ac i haven t had it back to the shop to get that checked out. Get access all wiring diagrams car.

It Will Have A Burnt Spot In It When It Goes Bad.


Web backed by over 50 years of mobile a/c experience, fix it once and fix it. Web dose a 2006 nissan altima v6 hve a bleeding cooling valve. 2012 nissan altima repair manual heater air conditioning control system section.

Get Access All Wiring Diagrams Car.


Get access all wiring diagrams car. 15 pics about nissan altima wiring diagram : Get access all wiring diagrams car.

You Would Need A Shop.


The clutch is not getting a signal to turn on. 2005 nissan altima headlight wiring. Nissan diagrams nissan altima wiring diagram pdf.

Web 2.5L, Engine Controls Wiring Diagram, Except California Except Hybrid (3 Of 4) For Nissan Altima 2008.


Web web 07 altima ac wiring ac not functioning along with some of the other issues my 07 altima has is a non working ac i haven t had it back to the shop to get that checked out. Web there is a problem with the compressor wiring harness, and that's the vehicle side of the harness. Web after inspecting the belt, there can only be two things left that could be happening:

Web Web Air Conditioning Automatic A/C Wiring Diagram (1 Of 2) For Nissan Altima 2007 Automatic A/C Wiring Diagram (2 Of 2) For Nissan Altima 2007 Heater.


Get access all wiring diagrams car. 2003 nissan altima 2 5. Web 2.5l, engine performance wiring diagram (3 of 6) for nissan altima 2014.