05 Jetta Speaker Wiring Diagram

05 Jetta Speaker Wiring Diagram. Web click download to get the full free document, or view any other jetta pdf totally free. 05 jetta speaker wiring diagram wiring schematic diagram.

45 Awesome Vw Radio Wiring Diagram Vw jetta, Electrical wiring
45 Awesome Vw Radio Wiring Diagram Vw jetta, Electrical wiring from www.pinterest.com

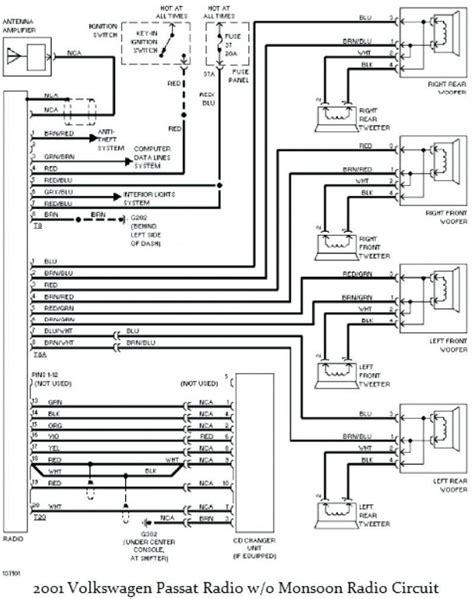
Web 2012 vw jetta audio wiring radio diagram schematic colors. Web if you want to know how to change your radio in your 2005 volkswagen jetta or figure our why car radio stopped working, a 2005 volkswagen jetta radio wiring. Web right rear speaker positive.

Web Golf & Jetta (All Gens) Golf/Gti Vi.


Web right rear speaker positive. I shouldn't look like the link above, as the iso connector was not used in vw post. Web there are many plug and play solutions out there that will allow you to do this easily.

Web 2.0L Turbo Diesel, Engine Performance Wiring Diagram (5 Of 6) For Volkswagen Jetta S.


Web click download to get the full free document, or view any other jetta pdf totally free. Web if you want to know how to change your radio in your 2005 volkswagen jetta or figure our why car radio stopped working, a 2005 volkswagen jetta radio wiring. Web 2001 vw jetta silver.

Web Our 2011 Volkswagen Jetta Speaker Wire Guide Shows You How To Connect Car Speaker Wires And Helps You When Your Car Speaker Wire Not Working.


Web web 1986 mk2 jetta wiring diagrams. Web radio wiring diagram, with navigation with amplifier (3 of 3) get access all wiring diagrams car. It also shows you what.

Web If You Can Pull The Connecters Off All You Have To Do Is Take A Flashlight Battery And Use Jumpers To Connect The Pins To The Pos And Neg Terminals Of The Bat.


Volkswagen 2015 electrical wiring diagrams.pdf: Web web web right rear speaker positive wire (+): Radio wiring diagram, with navigation without amplifier (1 of 2).

Web 90 Corrado G60, 90 Corrado 3.6, 92 Corrado Vr6, 97 Passat Tdi, 2005 Jetta Tdi, 2006 Touareg V10, 2011 Golf Tdi.


Web applicable to 1999 and later vw golf and jetta, passat and 1999. Web 2012 vw jetta audio wiring radio diagram schematic colors. Get access all wiring diagrams car.