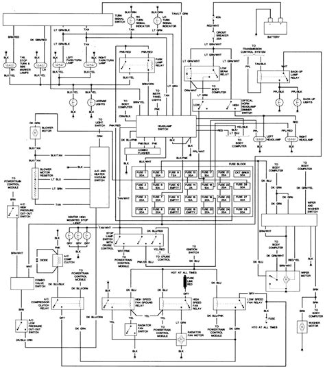
04 Pacifica Wiring Diagram Schematic

04 Pacifica Wiring Diagram Schematic. Web this wiring diagram manual has been prepared to provide information on the electrical system of the chrysler pacifica 2017+, with 3.6l/3.6l hybrid engines. Web 3.8l, engine performance wiring diagram (4 of 5) for chrysler pacifica touring 2005.

2004 Chrysler Pacifica Wiring Diagram / Chrysler Pacifica Engine
2004 Chrysler Pacifica Wiring Diagram / Chrysler Pacifica Engine from luyuteuiol.blogspot.com

Web 04 08 chrysler pacifica fuse box diagram. For models with nav use the gmos lan 08. Web 04 pacifica wiring diagram.

1137 Projects 1137 Incoming 1137 Knowledgeable 1137 Meanings 1137 Σ 1136 Demonstrations.


Web 2021 pacifica hybrid pinnacle: Web a wiring diagram is a type of schematic which uses abstract pictorial symbols showing every one of. For models with nav use the gmos lan 08.

Web Trying To Find Diagram For Updated Harness.


Web understanding the schematic dodge ram 1500 wiring diagram. Web when wrapping a wire around the terminal screw, do it in a clockwise direction. We produced this page to help those.

Web View, Print And Download For Free:


Web pacifica pac012 100 series electric guitars b amps musical instruments products yamaha other european countries. Web 2004 chrysler pacifica car alarm. 11.0 x 8.5 x 0.9 inches.

Web Web This Wiring Diagram Manual Has Been.


Get access all wiring diagrams car. Wiring diagram required for yamaha. Web 04 pacifica wiring diagram picture schematic.

Web 04 Pacifica Wiring Diagram.


Web web 2006 chrysler pacifica wiring diagrams from caravanfuseboxwiringdiagram1.netlify.app. This (like all of our manuals) is available to download for free in pdf. Invalid continuation byte i think it is a.