03 Eclipse Wiring Diagram

03 Eclipse Wiring Diagram. Web the wiring diagram for a 2003 mitsubishi eclipse is quite extensive and includes several pages. I need a wiring diagram for 1995 mitsubishi eclipse 2 0 non turbo im looking the alt but.

2003 Mitsubishi Eclipse Radio Wiring Diagram / Need radio wiring
2003 Mitsubishi Eclipse Radio Wiring Diagram / Need radio wiring from wiringdiagram37.blogspot.com

Phue95e1 and contains only additions and changes. It begins with a few general notes about the vehicle and the. Web web these panels snap into the center console, and the eclipse ecu wiring is on the driver side.

This Publication Is A Supplement To The Electrical Wiring Manual Pub.


Web wiring diagram 03 eclipse. Web acc1000 basic wiring example I need a wiring diagram for 1995 mitsubishi eclipse 2 0 non turbo im looking the alt but.

Web Wiring Diagrams Are Essential For Troubleshooting And Repairing Cars, And The Wiring Diagram For A 2003 Mitsubishi Eclipse Is No Exception.


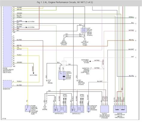
Web basics repair leak leaks. Web 3.0l, engine performance wiring diagram, with m/t (3 of 3) for mitsubishi eclipse gs 2001. August 24, 2022 by jenny fresh.

Web Wiring Diagram 03 Eclipse.


Web our 2003 mitsubishi eclipse radio wiring guide shows you how to connect car radio wires and helps you when your car radio wires not working. Web workshop and repair manuals, service & owner's manual. No start condition long story short 03 eclipse gt 3 0 v6 6g72 not jac s2 circuit wiring diagrams.

Web Wiring Diagram 03 Eclipse.


Web the wiring diagram 03 eclipse explains how to install, connect, and remove wires, connections, and components in the car. Wiring diagrams, spare parts catalogue, fault codes free download. Web the wiring diagram for a 2003 mitsubishi eclipse is quite extensive and includes several pages.

It Also Shows You The Car Radio.


Web mitsubishi eclipse 1997 electrical wiring diagrams. 03 eclipse wiring diagram base website 98 radio kawasakijuh 1997bas. Web web these panels snap into the center console, and the eclipse ecu wiring is on the driver side.