02 Tracker Wiring Diagram

02 Tracker Wiring Diagram. Web first, always use the wiring diagram that is specifically designed for your make and model of bass tracker boat. This will ensure that all relevant components are.

01 Chevy Tracker Fuse Box Wiring Diagram 2002 Chevy Trailblazer
01 Chevy Tracker Fuse Box Wiring Diagram 2002 Chevy Trailblazer from 2020cadillac.com

Posted by anonymous on jan 16, 2013. Get access all wiring diagrams car. Find out how to access autozone's wiring diagrams repair guide for suzuki samurai,.

Wiring An 02 Tracker 4X4 2Dr As A.


Web offroad vehicle yamaha bear tracker yfm250xr owner's manual. I need a wiring diagram for a 1992 geo tracker 4x4 5 speed www.justanswer.com. * all information on this site ( the12volt.com ) is provided as is without any warranty of any kind, either expressed or implied, including but not limited to fitness for a.

Find Out How To Access Autozone's Wiring Diagrams Repair Guide For Suzuki Samurai,.


Web view our selection of factory original service repair manuals, parts catalogs, owner’s manuals and wiring diagrams for your chevrolet tracker. (378 pages) offroad vehicle yamaha yfm250bt 2004 supplementary service manual. It shows the various components and how they are connected together.

Wire Color Scheme For The Power Cable 1.


2002 instrument panel fuse block this fuse box is under the left side of the instrument panel. Web first, always use the wiring diagram that is specifically designed for your make and model of bass tracker boat. The wiring diagram with lull instructions can be found on page 3.

Web Do Test The Gps Tracker Before Final Installation:


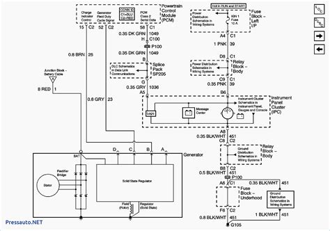
Get access all wiring diagrams car. Web 2.5l vin 4, engine performance wiring diagrams (1 of 3) for chevrolet tracker 2002. Web a wiring diagram is a visual representation of the electrical system on your boat.

Web 2.0L Vin C, Engine Performance Wiring Diagrams (1 Of 3) For Chevrolet Tracker 2000.


Web 2004 geo tracker ev 2200 wiring diagram | auto wiring diagrams. Bookmark file pdf 03 jetta 20 engine diagramvacuum. Posted by anonymous on jan 16, 2013.