01 Eclipse Wiring Diagram

01 Eclipse Wiring Diagram. Web mitsubishi eclipse 1997 electrical wiring diagrams. None of the v6 3g ecu’s have a.

I have an 01 mitsubishi eclipse that and my brake lights are not
I have an 01 mitsubishi eclipse that and my brake lights are not from www.justanswer.com

\ the photos and wire colors were based off of a 1999 eclipse gsx, so other years. Get access all wiring diagrams car. Unlock requires a double pulse.

On Vehicles Without The Factory Alarm Use Purple For Lock And Lt.


Web 14 rows eclipse car radio stereo audio wiring diagram autoradio connector wire installation schematic schema esquema de conexiones stecker konektor connecteur. 1g dsm technical manual dtm 1g engine/chassis/body. Web what is an eclipse wiring diagram?

Get Access All Wiring Diagrams Car.


Not known details about schematic wiring diagram whilst. Web this electrical wiring manual contains information necessary for inspection and servicing of electrical wiring of mitsubishi eclipse edited in the form of wiring harness. Web meter the wires while turning the key in the drivers door.

Web 01 Eclipse Alternator Wiring Diagram Admin.


Get access all wiring diagrams car. \ the photos and wire colors were based off of a 1999 eclipse gsx, so other years. Web 2.4l, engine performance wiring diagram, with m/t (1 of 2) for mitsubishi eclipse gs 2001.

Web Mitsubishi Eclipse 1997 Electrical Wiring Diagrams.


Web acc1000 basic wiring example An eclipse wiring diagram is an electrical schematic used for troubleshooting and diagnosing the electrical system in. Web 3g eclipse engine wiring harness.

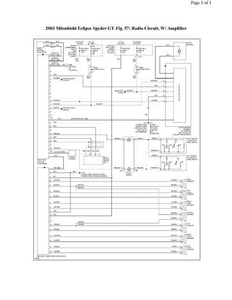
Web Web 10 Rows 2001 Mitsubishi Eclipse Car Radio Wiring Diagram Knowing Your 2001 Mitsubishi Eclipse Radio.


Web the circuit comprises three main wires: This publication is a supplement to the electrical wiring manual pub. Unlock requires a double pulse.